*この記事は改訂前の古い情報です。新しい記事は こちら
飛び交うカラスの群れ、過ぎ去った後に残された大量のフン。 どのくらい不衛生なんだ? 感染症に罹ったりして? だがそんなフン溜まりに近づいても特に異臭を放つことはない。 意外である。これが人間のフンだったら大変なことだろう。 このコーナーではそんなカラスのフンの秘密に迫りたい。

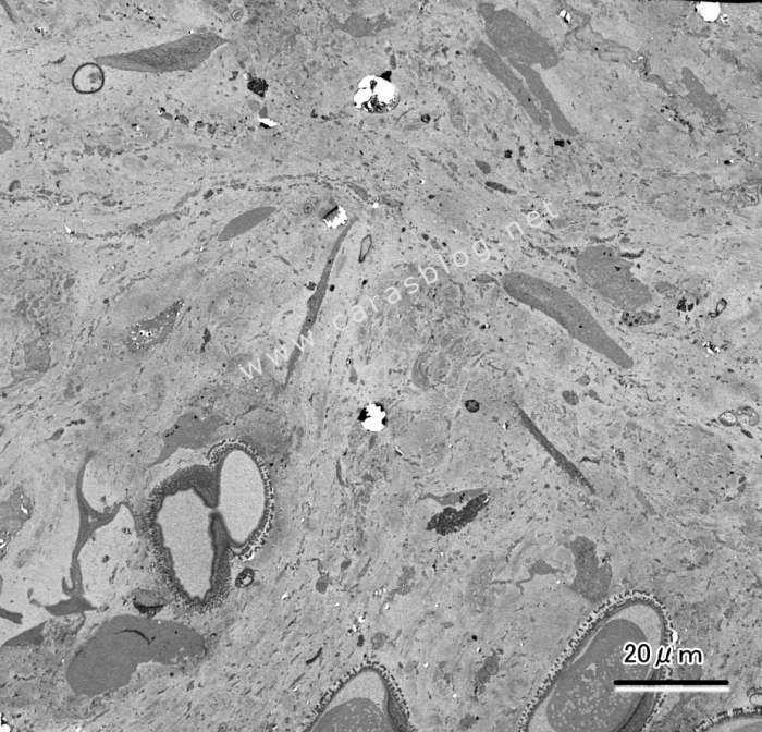
↑これはカラスのフンを透過電子顕微鏡で観察した画像である。 カラスのフンをよく見ると白い部分と固形物の部分があるが、 この画像は固形物の方である。 白い部分は、あれは尿であるため 電子顕微鏡で観察しても、特に何も見えるものは無い。 そう、鳥のフンは尿と一緒に排出されるのだ。 ちなみに放出されたばかりのフンはpH6.8でほぼ中性。

↑拡大するといろいろなものが見えてくる。 これは一見、「原虫だ!」となりそうだが、 これは単なる「花粉」である。 カラスの強力な消化機能にも耐えて構造をそのまま保っている。 ちなみにカラスの消化能力は非常に強力で、 食事に軟骨や骨が混じっていても一緒に食べて、 数時間後には完全に消化されて脱糞する。 人間と違い歯が無いのにだ・・・。

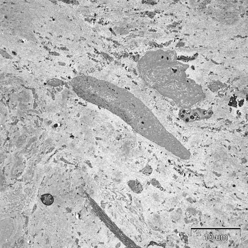
↑これは何だろう?拡大してみよう。

↑微細な線維束とメラニン顆粒が確認できるので、 これはおそらく羽毛の一部だろう。カラスは熱心に毛づくろいするので、 その際に飲み込んだものだろう。

↑ここまで菌やウイルスは見つからなかったが、
ここにきてようやく見つかった。
これは嚢胞に包まれた球菌の類だ。
球菌というと黄色ブドウ球菌のような感染性を想像するが、
そのような菌はごく一部であり、たいていは無害だ。
ただし、電子顕微鏡では通常、毒性の判定はできない。

↑拡大してみる。
球菌独特の分裂像と分厚い細胞壁が見られる。
多層になった細胞壁構造はグラム陽性菌の特徴である。